Bending
Bend with EPDM seals to ensure a 100% tight joint.
Remember screws at joints.
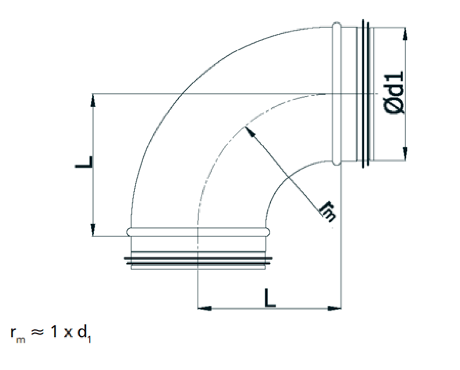
Dimensions - 90 degree bend
Dimension | ØD 1 | L | Weight |
Ø100 mm | 100 mm | 100 mm | 0.4kg |
Bend type DBU 90 degrees
SKU 111407 Categories Metal pipes, bends and fittings, Ventilation ducts, transition pieces and pipes.
DB number 5813232EAN 5708605008333
Bending
Bend with EPDM seals to ensure a 100% tight joint.
Remember screws at joints.
Dimensions - 90 degree bend
Dimension | ØD 1 | L | Weight |
Ø100 mm | 100 mm | 100 mm | 0.4kg |


Type | Item number | DB number |
Ø100 mm | 111407 | 5813232 |